? ? ? ?Î÷ÃÅ×ÓTeamcenterϵͳͨ¹ýÏîÄ¿ÖÎÀí×ÊÖúÆóÒµ´Ó²úÆ·¿´·¨Éè¼Æ¡ª¡ª¹¤ÒÕÉè¼Æ¡ª¡ª³µ¼ä¼Æ»®¡ª¡ªÎ¬»¤Î¬ÐÞ£¬Ö±ÖÁ±¨·ÏµÄÍêÕûµÄ²úÆ·ÉúÃüÖÜÆÚÀú³ÌÖУ¬ÊµÊ±Ð×÷µØ½øÐÐÖØ´óÏîÄ¿µÄ¼Æ»®ºÍÖÎÀí£¬²¢¶ÔÕû¸ö²úÆ·ÑÐÖÆÀú³Ì½øÐÐÏîÄ¿ÔËÐÐ״̬µÄ¼àÊÓ£¬Íê³É¼Æ»®µÄ·´Ïì¡£Î÷ÃÅ×ÓTeamcenterÏîÄ¿ÖÎÀíÒ×ÓÚʹÓ㬾߱¸¸»ºñµÄÒµÎñ¹¦Ð§£¬Äܹ»½øÐÐÕæÕýµÄÏîÄ¿¼Æ»®ºÍÏîÄ¿×ÊÔ´ÖÎÀí¡£Ëü×ÊÖú¶àѧ¿ÆÍŶӣ¬ÔÚ½»»¥Ê½Çé¿öÖУ¬Í¨¹ýWeb½¨Á¢²¢¹²ÏíÏîÄ¿ÐÅÏ¢£¬ËüΪÄÇЩÐèÒª¸ú×ÙÅÓ´óÏîÄ¿½ø¶È¡¢ÏîÄ¿±¾Ç®¡¢½»¸¶Ö¸±êºÍÏîÄ¿×ÊÔ´µÄ²úÆ·ÍŶӻòÏîÄ¿ÍŶÓÌṩÁËÒ»¸ö¸ß¶È½»»¥Ê½µÄ¡¢Áé»îµÄÐ×÷Çé¿ö¡£Ö÷ÒªÌṩÒÔϼ¼ÊõÊֶΣº

1 ¶àÏîÄ¿ÐͬÖÎÀí
? ? ?ͨ¹ýTeamcenter Project½¨Á¢µÄÐͬÊÂÇéÆ½Ì¨£¬ÏîÄ¿ÍŶӵÄÿһ¸ö³ÉÔ±¡ª¡ªÎÞÂÛÊÇÂþÑÜÔÚÊÀ½çµÄÈκÎÒ»¸ö½ÇÂ䣬ÕÕ¾Éͬ´¦Ò»¸ö°ì¹«ÊÒÄÚ£¬¶¼¿ÉÒÔä¯ÀÀͬÑùµÄÍøÂçÒ³Ãæ£¬²¢Í¬Ê±±à¼ÏîÄ¿ÐÅÏ¢¡¢Í¬Ê±ÎªÏîÄ¿ÐͬÊÂÇé¡£
? ? ? ? Teamcenter Project¿ÉÒÔ³ä·ÖÂú×ãÆóÒµÄÚ²¿ÈýÖÖÀàÐÍÈËÔ±µÄÐèÒª£¬¼´¸ß²ãÁìµ¼¡¢ÏîÄ¿¾ÀíÒÔ¼°ÍŶӳÉÔ±¡£
ÆóÒµµÄ¸ß²ãÁ쵼ͨ¹ýTeamcenterÌṩµÄÐͬÊÂÇéÆ½Ì¨£¬´Óºê¹ÛµÄ¡¢ÕóÊÆµÄ½Ç¶È¶ÔÆóÒµ²úƷͶ·ÅÊг¡µÄÀú³Ì½øÐÐÁ˽⣬°üÀ¨¼ì²ì¸÷ÏîÊÂÇéµÄ½ø¶ÈÇé¿ö£¬½â¾öÆóÒµÖзºÆðµÄÎÊÌ⣬¶´²ì¿ÉÄܱ£´æµÄÒþ»¼¡£
ÏîÄ¿¾Àíͨ¹ýÐͬÊÂÇéÆ½Ì¨À´¼à¿ØÏîÄ¿½ø¶È£¬·ÖÅÉÈÎÎñ£¬µ÷ÀíÖÖÖÖ×ÊÔ´ÒÔ¼°×÷³öÏîĿԤËã¡£ÏîÄ¿¾Àí²»µ«¿ÉÒÔ´ÓÆ½Ì¨ÖлñÈ¡ÖÖÖÖÖÎÀíͳ¼Æ±¨¸æ£¬Ò²¿ÉÒÔÀûÓÃϵͳÌṩµÄÔ¤¾¯¹¦Ð§£¬ÔÚÏîÄ¿½ø¶È°²Åű¬·¢´óµÄ±ä»»Ê±Ìáǰ»ñµÃ֪ͨ¡£
ÏîÄ¿ÍŶӵijÉÔ±ÔÚÕâÑùµÄÊÂÇéÆ½Ì¨ÖпÉÒÔÏ໥Ð×÷£¬½øÐÐʵʱµÄÌÖÂÛ£¬¹²Ïíµç×ÓÎĵµ£¬²¢ÊµÊ±µØ¸üÐÂÏîÄ¿½ø¶È¡¢±àдÊÂÇéÈÕÖ¾¡£
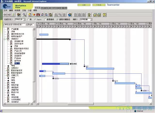
? ? ? ? ͨ¹ý±í¸ñÊÓͼ»òÊ©¹¤½ø¶È±í£¬ÏîÄ¿³ÉÔ±¿ÉÒÔÅäºÏ½øÐÐʵʱÏîÄ¿¼Æ»®µÄÌåÀý¡£Ê©¹¤½ø¶È±íµÄ¹¦Ð§ºÜÊÇÇ¿´ó£¬ËüÖ§³ÖÖ±½ÓÔÚͼÖжԲî±ðͼ±ê½øÐÐÍϷŲÙ×÷¡£ÏÂͼÏÔʾÁËÔÚTeamcenterÏîÄ¿ÖÎÀíÖн¨Á¢µÄÒ»¸öÊ©¹¤½ø¶È±í¡£ÏîÄ¿³ÉÔ±¼òµ¥µØÍ¨¹ýÍÏ·ÅͼÖÐÔªËØ£¬¾Í¿ÉÒÔÐÞ¸ÄÏîÄ¿µÄÈÎÎñÔ¼Êø¡¢ÖØ´óʼþÒÔ¼°¿ªÊ¼½áÊøÈÕÆÚ¡£¸Ãϵͳ»¹ÌṩÁËÆäËüµÄÏîÄ¿ÖÎÀí¹¦Ð§¡£ÀýÈ磬ÈÎÎñÆÊÎö½á¹¹ÊÓͼ¡¢ÈÎÎñÔ¼Êø¡¢²»ÏÞ²ãÈÎÎñÊ÷¡¢ÈÎÎñ±¾Ç®ÖÎÀí£¬½¨Á¢¼Æ»®»ù×¼ºÍ½á¹ûÇý¶¯µÄ½ø¶È±íµÈ¡£ ÏîÄ¿µÄ½øÕ¹Äܹ»ÒÔÖÜ¡¢Ô¡¢¼¾¶ÈºÍÄêΪµ¥Î»½øÐмì²ì¡£

2 ?ÏîÄ¿½ø¶È¸ú×Ù
? ? ? ? ´Ë¹¦Ð§ÊÇΪÁ˽«²úÆ·ÈÎÎñ״̬¸üе½ÏîÄ¿ÖÎÀíÖУ¬Ê¹ÖÎÀíÕßÄÜʵʱÁ˽⵽²úÆ·Ñз¢½ø¶È¡£ÆäʵÏÖÊÇͨ¹ýÔÚÁ÷³Ì½ç˵ÖмÓÈë×Ô¶¯´¦ÀíÈÎÎñ£¬ÔÚÒ»¶¨µÄÀú³Ì½Úµã×Ô¶¯¸üÐÂÏîÄ¿ÖÎÀí½çÃæÖеÄÈÎÎñ״̬ÐÅÏ¢¡£ÕâÒ»Àú³ÌÓÉϵͳÔڵײãÍê³É£¬²»ÐèÒªÓû§½øÐиÉÔ¤¡£
×Ô¶¯Ë¢ÐÂÏîÄ¿½øÕ¹×´Ì¬
? ? ? ? ͬʱ£¬Teamcenter ProjectΪ¸ß²ãÁìµ¼ºÍÏîÄ¿¾ÀíÌṩÁËÖÚ¶àµÄ¸ú×ٺͻ㱨¹¦Ð§¡£¸ß²ãÁìµ¼ÄÜÊÕµ½¹ØÓÚËùÓÐÍŶӳÉÔ±ºÍÏîÄ¿µÄ״̬±¨¸æ£»Ò²¿ÉÒÔÀûÓÃÌØ¶¨Ê¼þµÄÔ¤¾¯¹¦Ð§Á˽âÏîÄ¿ÖÐÒ»Ð©ÖØ´óʼþµÄ±¬·¢£¬ÒÔ±ãËæÊ±¶ÔÏîÄ¿½øÐж½µ¼¡£ËùÒÔÎÞÂÛÊǽø¶È¡¢Óöȡ¢Îĵµ¡¢ÌÖÂÛ»°ÌâµÈÄÄÒ»·½ÃæµÄÊÂÇ飬¶¼¿ÉÒÔͨ¹ýE-mailºÍµ¯³ö֪ͨ·½·¨Í¨ÖªÆóÒµµÄÁìµ¼¡£¸ß²ãÁìµ¼ºÍÏîÄ¿¾ÀíÒ²¿ÉÒÔͨ¹ý¸ÊÌØÍ¼µÄ·½·¨À´»ñµÃ¶ÔÏîÄ¿½ø¶È°²ÅŵÄ×ÜÌåÁ˽⣬Ҳ¿ÉÒÔÀûÓÃTeamcenter ProjectµÄ¿ÉÊÓ»¯µÄ±¨¸æ±à¼Æ÷ºÍ±¨¸æÄ£°å£¬½á¹¹ÊôÓÚ×Ô¼ºÏîÄ¿µÄÖÖÖÖÖÎÀí»ã×ܱ¨¸æ¡£
3 ?ÈËÔ±¼¨Ð§ÖÎÀí
? ? ? ? ×ÊÔ´ºÍ¼¼Êõ¼¯Äܹ»ÒÔ²¿·Ö¡¢ÒµÎñµ¥Î»»òÆäËüÆÊÎö×ÊÔ´µÄ×éÖ¯ÀàÐÍΪµ¥Î»£¬Í¨¹ý×ÊÔ´¼ÐÀ´½øÐÐ×éÖ¯¡£ÏµÍ³Ö§³ÖµÄ¹¦Ð§°üÀ¨£¬½¨Á¢²¢·ÖÅÉÍŶÓ×ÊÔ´¡¢ÅÌÎÊά»¤¼¼Êõ¼¯¡¢ä¯ÀÀ¿çÏîÄ¿Óû§µÄÈÎÎñ·ÖÅÉ¡¢½»»¥Ê½¼ì²ì×ÊÔ´Öù״ͼ¡¢½øÐÐÊÂÇéÔØºÉµÄÖÎÀí¡£ ²¢¿ÉÒÔÆ¾¾ÝÊÓͼÉú³ÉÈËÔ±µÄ¼¨Ð§»ã×ܱ¨±í£¬Í¬Ê±¿ÉÒÔÑ¡ÔñÈËÔ±½øÐм¨Ð§±ÈÕÕ¡£
? ? ? ? ͨ¹ýTeamcenter ProjectµÄ½á¹¹ÆÊÎöºÍ×ÊÔ´ÖÎÀí¹¦Ð§£¬Óû§Äܹ»ÊµÏÖ¶Ô²úÆ·ÏîÄ¿µÄ׼ȷԤ¼ÆºÍÓÐЧÖÎÀí¡£ÏîÄ¿×éµÄÏà¹Ø³ÉÔ±½«ÎªÃ¿¸öÏîÄ¿´´Á¢Ò»ÏµÁеÄ×ÊÔ´²ÎÊý£¬ºÃ±È£ºÏà¹ØµÄÊÂÇéÈÎÎñ¡¢Ïà¹ØÓöȡ¢Ö´ÐÐÿÏîÈÎÎñËùÐèµÄ×ÊÔ´ÒÔ¼°Ïà¹ØÈËÔ±ÐèÒª¾ß±¸µÄ֪ʶºÍ¼¼Êõ¡£
? ? ? ?Teamcenter ProjectÖ§³Ö¶à¸öÏîÄ¿µÄÐͬµ÷Àí×ÊÔ´£¬Òò´Ë×ÊÔ´¿ÉÒÔÔÚ¶àÏîÄ¿ÖлñµÃÔ½·¢ºÏÀíµÄ·ÖÅɺ͵÷Àí¡£Í¬Ê±£¬ÏîÄ¿µÄ״̬Ҳ¿ÉÒÔ½øÐÐʵʱµÄ¼à¿Ø£¨ºÃ±È£¬¿ÉÒÔͨ¹ýÖù״ͼÀ´Í»³öÏÔʾÀûÓÃÌ«¹ý»òÀûÓÃÂʵÍϵÄ×ÊÔ´£©¡£ÎÞÂÛºÎʱºÎµØ£¬¶¼¿ÉÒÔ¸øÍŶӳÉÔ±½øÐÐÈÎÎñ·ÖÅÉ£¬²¢ÇÒʵʱµØ»ñµÃ¸÷³ÉÔ±ÈÎÎñ½ø¶ÈµÄ±¨¸æÐÅÏ¢¡£?
4 ? ¹¤Ê±Í³¼Æ
?ÏîÄ¿ÍŶӳÉÔ±¿ÉÒÔÔÚÏß±¨¸æÄ³ÏîÈÎÎñµÄ¹¤Ê±£¬ÉóºËÒÑÌá½»µÄ¹¤Ê±±í£¬²¢½«Ö®µ¼ÈëÏîÄ¿Êý¾Ý¿âÖС£
5 ?ÏîÄ¿±¾Ç®ÖÎÀí
? ? ? ? ¿ÉÒÔΪ×ÊÔ´ºÍ¼¼Êõ¼¯Ö¸¶¨¹¤±¾»ãÂÊ£¬ÕâÑùTeamcenterÏîÄ¿ÖÎÀí¾ÍÄܹ»Éú³ÉÏêϸ»òÕß´ó¸ÅµÄÏîÄ¿±¾Ç®ÊÓͼ£¬°üÀ¨¹ÀË㱾Ǯ¡¢¸½¼Ó±¾Ç®ºÍ»ù±¾±¾Ç®£¬±ðµÄ»¹Ö§³Ö¿É±äÀ͹¤ºÍÀι̱¾Ç®ÖÎÀí¡£
? ? ? ?ÐͬÓöÈÖÎÀí¹¦Ð§Ê¹Óû§¿ÉÒÔΪËùÓеÄ×ÊÔ´»ò¼¼ÊõÉ趨ÓöȺͼ۸ñ£¬ÏîÄ¿¾Àí¿ÉÒÔÁ˽âÏêϸµÄÓöÈÇé¿öºÍ»ã×ܱ¨±í£¬°üÀ¨ÏîĿԤËãÒÔ¼°Êµ¼ÊÓöÈÇé¿ö¡£Í¨¹ýϵͳ£¬Ò²¿ÉÒÔ¼ì²ì±ä¸ïµÄÀͶ¯Á¦±¾Ç®ºÍÀι̵ÄÓöÈ̯Ïû¡£ÁíÍ⣬ֻҪÿ¸öÈËÆ¾¾ÝÏîÄ¿Ìá½»ÊÂÇéʱ¼ä¼Í¼¿¨£¬Teamcenter Project¾Í¿ÉÒÔ½øÐÐÔÚÏßÉóºË£¬²¢ÇÒÍê³ÉËùÓÐÏîÄ¿µÄʱ¼ä»ã×Üͳ¼Æ¡£
6 ?±¨±íͳ¼Æ
? ? ? ? TeamcenterÏîÄ¿ÖÎÀíµÄÆóÒµ±¨±íϵͳʹÓÃÁ˺ÍÈí¼þÒ»Í¬×°ÔØµÄ±¨±íÒýÇæ£¬¹¦Ð§Áé»î¶øÇ¿´ó¡£±ðµÄ£¬ÁíÓÐÒ»¸ö¿ÉÑ¡µÄ±¨±íÉè¼Æ¹¤¾ß£¬¿ª·¢ÈËÔ±¿ÉÒÔÀûÓÃÕâ¸ö¹¤¾ßÐÞ¸ÄȱʡµÄ±¨±í»¨Ñù£¬»òÕß½¨Á¢È«Ðµı¨±í£¬Ê¹¾ÀíºÍÖ÷¹ÜÈËÔ±Äܹ»»ñµÃËûÃÇËùÆÚÍû¼òÖ±ÇÐÐÅÏ¢¡£±¨±íÎļþµÄ»¨Ñù¿ÉÒÔÊÇDHTML¡¢HTML¡¢PDF»òÕßCSV¡£¿çÏîÄ¿±¨±íÊÇΪ¾ÀíºÍÖ÷¹ÜÔ¤´ò°üµÄ±¨±í£¬ËüÓÃͼÐη½·¨ÏÔʾ¶à¸öÊÂÇéÇøÉϵÄÏîÄ¿½øÕ¹£¬ÒÔ±ãÓÚ¼ì²ìÔÚÒ»¸öÍêÕûÔ˶¯Öвî±ðÏî